2026年3月开班计划:
FPGA逻辑开发班、FPGA测试定向班
开班时间:3月30日(预科)
开班地点:成都基地(成都ai创新中心)
冬令营开班计划:
开班时间:7月6日(暂定)
开班地点:成都基地(成都ai创新中心)

干货!FPGA内部资源介绍(1)逻辑资源块
近期有许多小伙伴私信小编,希望小编出一些FPGA基础知识,能对FPGA有初步的认识。小编立马奋笔疾书,熬夜整理了一些学习FPGA必备的基础知识,双手呈上~~,每天一个干货,一星期带你入门FPGA!
近期有许多小伙伴私信小编,希望小编出一些FPGA基础知识,能对FPGA有初步的认识。小编立马奋笔疾书,熬夜整理了一些学习FPGA必备的基础知识,双手呈上~~,每天一个干货,一星期带你入门FPGA!
敲黑板!都是干货!
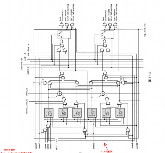
逻辑资源块是FPGA中最重要的资源,它在FPGA芯片中占的比重最大。Xilinx公司称它为时B.即ConffgurabeLogic Bock:而Altera公司称它为AM即 Adapive logic Module。Xilinx把一个CLB划分为若干个slice,每个slice中一般又包含若干个LUT、寄存器、异或门和复用器等;Altera把一个ALM划分为若干个ALUT 和寄存器等,而每个ALUT 中一般又可包含若干个LUT,全加器和复用器等。因此虽然逻辑资源块在不同的器件中叫法不一样(当然结构上也会有略微的差别),但它们的本质是类似的。在FPGA芯片中,逻辑资源块是均匀分布的,不过在列的方向上,它们的排列一般更加紧密些,这估计是为了减少加法进位链的延迟和实现高性能的寄存器链吧。
下面,我们给出 Xilinx公司 Virtex-5系列芯片中的基本slice结构图(图1)和Altera公司StratixN系列芯片中的基本ALM结构图(图2)供大家对比。


对比图1和图2可以看出,无论是CLB还是ALM,它们包含的基本元素都是相似的。下面我们详细介绍一下这些基本元素。
1.LUT
LUT 即查找表的意思,它是FPGA芯片与其他可编程逻辑芯片之间最大的区别。LUT可以有多个输入引脚,但只能有一个输出引脚。我们可以用 ROM 的概念来理解 LUT,即,般来说,一个N输人的查找表,它的行为相当于一个地址总线为N位,单位存储量为1bit,总存储量为2bit的单口 ROM。例如,对于一个2输人的查找表,如果按照“逻辑与”的真值表去配置其内部ROM的存储内容,那么它的行为就相当于一个与门;如果按照“逻辑或”的真值表去配置其内部ROM的存储内容,那么它的行为就相当于一个或门;如果固定住一个输人引脚,也可以很方便地模拟非门的行为;如果恰当地组合两个2输人的LUT,也可以很方便地实现任意3输人逻辑:以此类推。因此,只要通过恰当的连接,我们可以用该LUT实现任意的组合逻辑功能。进一步分析,通讨结合【共同语言→数字逻辑电路基础知识→数字锣辑的化简】中关于最小项概念的介绍,我们可以知道,LUT中的每一个存储单位都对应于逻辑表达式中的一个最小项,因此,LUT可以方便地描述任何组合逻辑。目前来说,FPGA中的基本 LUT一般都是4输入,6输人甚至更多输人引脚的,那么它们所能实现的逻辑功能就更加复杂、灵活和多变。
除此以外,LUT不仅仅可以实现灵活、多变的组合逻辑,通过恰当地配置,它甚至可以模拟寄存器的行为,例如图3用LUT完美地模仿了一个寄存器的行为(前提是 LUT中的存储空间被正确配置)。

其中,两个LUT分别模仿了两个锁存器的行为,上面的4输人LUT模拟了一个高电平冼通的latch行为,下面的5输人LUT模拟了一个低电平选通的latch行为而两个LUT中的反馈回路是模拟 latch 在阻止状态下保持原值的关键。
注意,在LUT模仿寄存器的例子中,使用了反馈结构。对于组合逻辑来说,使用反馈结构是很危险的,因为一不小心引入了负反馈就会造成逻辑的混乱。在使用 LUT的时候也是一样,要注意不要引人负反馈。不过LUT 有一个区别于与或非门逻辑的显著特点,那就是 LUT 虽然可以很好地模拟任何组合逻辑,但它实际上不是一个纯粹的组合逻辑,因为组合逻辑的电路是没有记忆的,而LUT是有记忆的,虽然这种记忆一旦建立起来就不会改变直到掉电或下一次电路配置。这是因为LUT有内部存储单元,而它的实现形式可以是ROM、 RAM、寄存器或者MUX加一系列到电源或地的开关等。当然了,由于LUT的实现形式多种多样,因此在 FPGA 中,也可以用 LUT 实现 ROM、RAM甚至移位寄存器。
2.加法器
加法是所有二进制运算的基础,因此它在 FPGA 中的地位非常重要。而二进制加法中最重要的功能元素就是异或操作,因此,为了实现高性能的加法,Xilinx采用了专门的异或门,而 Altera也是引人了专门的全加器。虽然LUT也可以模拟异或门的功能,但是它的延迟相比于专有的异或门来说还是太大,尤其是两个多位数据的相加时,由于级联效应,会导致处理变慢。因此,目前在FPGA的逻辑资源块中,都是留有专门的异或门外加专门的进位链布线资源,再配合相关资源实现全加器的。不过 LUT可以配合异或门实现超前进位加法器,进一步提高加法器的性能。
3.寄存器
FPGA中有丰富的寄存器资源,这也是它区别于CPLD的地方。寄存器是时序逻辑的基础,由于它对电路状态的保持和记忆特性,才使得数字电路具有千变万化的功能。FPGA中的寄存器一般可以被配置为D类型的触发器或者锁存器。配置为D类型的触发器时,根据生产厂商以及型号的不同,可能会有一些其他的功能管脚,例如异步复位、同步复位、时钟使能、同步置位等。FPGA中寄存器的输出一般都会连到附近一个寄存器的输人MUX中,通过配置该 MUX,可以将多个寄存器串联起来形成寄存器链,实现移位寄存器电路。
4.MUX
MUX就是复用器,也叫多路选择器。FPGA的逻辑资源块中,有很多MUX,根据用法可以分为两类:一类是配置MUX,它的选通是在配置FPGA的时候确定的,因此它决定了所处逻辑资源块的功能;另一类是逻辑MUX,它的选通是由此时的内部逻辑决定的,因此它是内部逻辑的一部分。由此可见配置MUX在FPGA中的作用更大一些,通讨改变配置 MUX的选通情况,可以让逻批资源块定现多种名样的功能。例如,通过改变配置MUX的选通情况我们可以只使用逻辑资源块中的组合逻辑部分,也可以只使用其中的寄存器,甚至可以同时使用这两部分,但它们却分别隶属于不同的功能模块。
!– /wp:paragraph –>
目前成电少年学已经为众多企业输送FPGA高级人才,薪资远超同届毕业生52%,就业率达100%。
福利大放送!!现在可以进行免费申请在线学习FPGA课程,抓紧时间,手慢则无!课程链接https://z.guoxinedu.cn。同学们可随时关注智库平台:https://z.guoxinedu.cn。FPGA课程持续更新中~~
详情咨询:
陈老师:13219696129
高老师:18935839030





